Электросхема стоп-сигналов Fiat Croma 2 2.2


ОПИСАНИЕ
Стоп-сигналы автомобиля расположены сзади в задних фонарях и в центральном третьем стоп-сигнале, состоящем из 10 отдельных лампочек.
Они активируются при каждом нажатии педали тормоза с помощью переключателя на педали.
переключатель на педали состоит из двух контактов, которые подают два сигнала: первый нормально разомкнутый контакт определяет положения педали тормоза, отличные от исходного положения; второй размыкающий контакт определяет положение педали тормоза в состоянии покоя.
Свет включается замыкающим контактом (нажата педаль). Информация от выключателя NO передается, в частности, в блок управления двигателем и блок управления ABS/ESP.
См. E5030 БЕНЗИНОВЫЕ ДВИГАТЕЛИ. ЭЛЕКТРОННОЕ УПРАВЛЕНИЕ.
См. E7023 ESP.
Функция активна при следующих условиях:
– сигнал включения при вставлении и включении ключа в зажигании (INT);
– командный сигнал от вышеуказанного переключателя.
Функция проверки стоп-сигналов контролирует правильную работу фонарей: для каждой из двух цепей проверяются следующие параметры:
– обрыв цепи (отсутствует лампочка или обрыв проводки)
– замкнутая цепь на землю (лампа SC или провод SC на землю);
– короткое замыкание на Vbatt (проводка SC на Vbatt).
Также проверяется целостность предохранителя, защищающего выключатель на педали тормоза.
При возникновении одной из вышеперечисленных ситуаций бортовой компьютер сообщает о состоянии неисправности через сеть CAN: на панели приборов загорается контрольная лампа «Неисправность наружного освещения», и одновременно информация отображается на дисплее.
Центральный стоп-сигнал управляется непосредственно выключателем на педали и проверке не подлежит.
В целях безопасности движения, если один из задних габаритных огней неисправен, лампа стоп-сигнала на соответствующей стороне загорается тусклым светом (5 Вт), имитируя яркость габаритного света.
ОПИСАНИЕ ЭКСПЛУАТАЦИИ
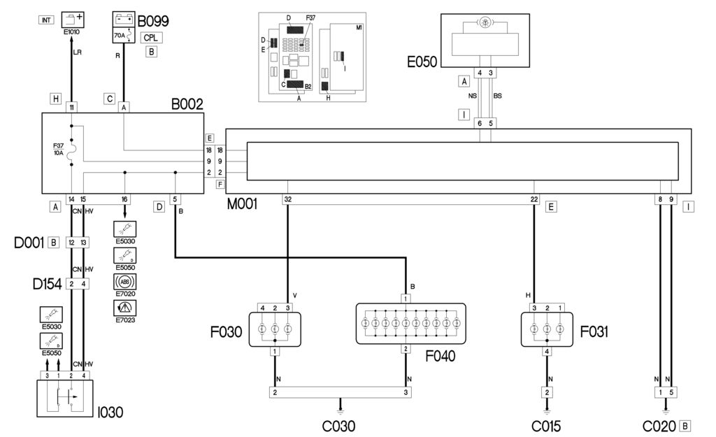
Выключатель педали тормоза I030 получает питание от линии INT, защищенной предохранителем F37 распределительного блока под панелью B002: при нажатии на педаль тормоза переключатель NO замыкается и посылает сигнал на бортовой компьютер M001 (контакт 2 разъема F).
Сигнал о том, что ключ вставлен и включен в зажигании (INT), достигает распределительного блока под панелью B002 (контакт 11 разъема H) и отсюда передается на бортовой компьютер M001 (контакт 9 разъема F).
Бортовой компьютер М001 управляет подачей питания на стоп-сигналы в задних фонарях F030 (слева) и F031 (справа) от контактов 32 и 22 разъема Е соответственно.
Бортовой компьютер М001 (контакты 5 и 6 разъема I) подключается по линии CAN к панели приборов Е050 (контакты 3 и 4 разъема А) для управления сигнальной лампой неисправности наружного освещения и сообщения на дисплее в случае неисправности в цепь, лампочки или предохранитель.
Выключатель педали тормоза I030 управляет центральным стоп-сигналом F040 напрямую, без каких-либо правил управления, через подпанельный распределительный блок B002, контакт 5 разъема D.